

產品展示
壓鉚件壓鉚好色先生污污污,又稱花柄好色先生污污污,通過壓鉚的方式固定於薄板,從下附的安裝視頻中可以看出,將薄板的預開孔置於好色先生污污污上方,通過壓機直接壓入薄板,從而在薄板上形成堅固的內螺紋.
通過壓鉚好色先生污污污與薄板鉚接的這種方式,廣泛應用於機箱機櫃鈑金及其它衝壓件,其行業遍及通信汽車網絡設備等。

作為一家全係列壓鉚件廠商,好色网站在线观看具有多年的壓鉚好色先生污污污生產與服務經驗,從早期的車削工藝升級到全係列冷墩化,機台長期固定生產單一規格,力爭邊際成本最小化、品質更穩定,從而為客戶帶來更大競爭優勢。
已為國內外多家衝壓、汽車部件、機櫃等廠家提產品與技術支持。
左上排為不鏽鋼壓鉚好色先生污污污,下排為碳鋼壓鉚好色先生污污污。

壓鉚好色先生污污污的分類:壓鉚好色先生污污污從材質上分為S,CLS,SP三種類型
S:碳鋼壓鉚好色先生污污污
CLS:不鏽鋼壓鉚好色先生污污污
SP:不鏽鐵壓鉚好色先生污污污

壓鉚好色先生污污污的表示與標注方式示例:
S:代表材質為碳鋼(與之相對應的其它型號還有CLS,SP等)
M6:螺紋為M6*1
2:對應的薄厚的代號,即最小板厚2.3(其它代號還有0,1,3等,見下表)
ZU:電鍍代號,代表藍鋅(與之相對應的其它電鍍代號參考鏈接)

壓鉚好色先生污污污的規格範圍:
從規格上又分為公製與美製兩種:
1,公製規格生產範圍:M2~M12,詳見下麵規格表
2,美製規格生產範圍:4#~1/2,詳見美製壓鉚好色先生污污污標準

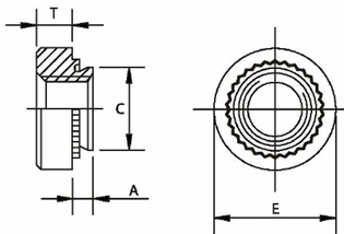
| 螺紋 | 型號TYPE | 螺紋尺寸 | 規格代號 | A | 最小 | 板孔徑 | C | E | T | 齒厚 | 齒外徑 | 最小邊距 | ||
| 碳鋼 | 不鏽鋼 | 硬化不鏽鋼 | ||||||||||||
| 板厚 | ||||||||||||||
| Max | +0.08 | -0.1 | ±0.25 | ±0.1 | ±0.05 | ±0.1 | ||||||||
| M2*0.4 | S | CLS | SP | M2 | 0 | 0.76 | 0.8-1 | 4.25 | 4.22 | 6.35 | 1.5 | 0.35 | 5.25 | 4.8 |
| 1 | 0.97 | 1 | 0.45 | 5.25 | ||||||||||
| 2 | 1.37 | 1.4 | 0.5 | 5.25 | ||||||||||
| M2.5*0.45 | S | CLS | SP | M2.5 | 0 | 0.76 | 0.8-1 | 4.25 | 4.22 | 6.35 | 1.5 | 0.35 | 5.25 | 4.8 |
| 1 | 0.97 | 1 | 0.45 | 5.25 | ||||||||||
| 2 | 1.37 | 1.4 | 0.5 | 5.25 | ||||||||||
| M3*0.5 | S | CLS | SP | M3 | 0 | 0.76 | 0.8-1 | 4.25 | 4.22 | 6.35 | 1.5 | 0.35 | 5.25 | 4.8 |
| 1 | 0.97 | 1 | 0.45 | 5.25 | ||||||||||
| 2 | 1.37 | 1.4 | 0.5 | 5.25 | ||||||||||
| M3.5*0.6 | S | CLS | SP | M3.5 | 0 | 0.76 | 0.8-1 | 4.75 | 4.73 | 7 | 1.5 | 0.35 | 5.75 | 5.6 |
| 1 | 0.97 | 1 | 0.45 | 5.75 | ||||||||||
| 2 | 1.37 | 1.4 | 0.5 | 5.75 | ||||||||||
| M4*0.7 | S | CLS | SP | M4 | 0 | 0.76 | 0.8-1 | 5.4 | 5.38 | 8 | 2 | 0.35 | 6.5 | 6.9 |
| 1 | 0.97 | 1 | 0.45 | 6.5 | ||||||||||
| 2 | 1.37 | 1.4 | 0.5 | 6.5 | ||||||||||
| 3 | 2.21 | 2.3 | 0.75 | 6.5 | ||||||||||
| M5*0.8 | S | CLS | SP | M5 | 0 | 0.76 | 0.8-1 | 6.35 | 6.33 | 8.64 | 2 | 0.35 | 7.6 | 7.1 |
| 1 | 0.97 | 1 | 0.45 | 7.6 | ||||||||||
| 2 | 1.37 | 1.4 | 0.5 | 7.6 | ||||||||||
| 3 | 2.21 | 2.3 | 0.75 | 7.6 | ||||||||||
| M6*1 | S | CLS | SP | M6 | 00 | 0.89 | 0.92 | 8.75 | 8.72 | 11 | 4.08 | 0.4 | 9.7 | 8.6 |
| 0 | 1.15 | 1.2 | 0.5 | 9.7 | ||||||||||
| 1 | 1.37 | 1.4 | 0.55 | 9.7 | ||||||||||
| 1.9 | 1.9 | 1.95 | 0.7 | 9.7 | ||||||||||
| 2 | 2.21 | 2.3 | 0.75 | 9.7 | ||||||||||
| 3 | 3.05 | 3.18 | 1 | 9.7 | ||||||||||
| M8*1.25 | S | CLS | SP | M8 | 0 | 1.15 | 1.2 | 10.5 | 10.47 | 12.7 | 5.47 | 0.5 | 11.5 | 9.7 |
| 1 | 1.37 | 1.4 | 0.55 | 11.5 | ||||||||||
| 2 | 2.21 | 2.3 | 0.8 | 11.5 | ||||||||||
| 3 | 3.05 | 3.18 | 1.6 | 11.5 | ||||||||||
| M10*1.5 | S | CLS | SP | M10 | 0 | 1.6 | 1.7 | 14 | 13.97 | 17.35 | 7.48 | 0.6 | 15 | 13.5 |
| 1 | 2.21 | 2.3 | 0.8 | 15 | ||||||||||
| 2 | 3.05 | 3.18 | 1 | 15 | ||||||||||
| M12*1.75 | S | CLS | SP | M12 | 0 | 2.48 | 2.5 | 17 | 16.9 | 20 | 8.5 | 0.9 | 19 | 18 |
| 1 | 3.05 | 3.18 | 1 | 19 | ||||||||||
| 2 | 6.0 | 6.1 | 1.6 | 19 | ||||||||||

| 型號 | 材質 | 硬度 | 熱處理 | 表麵處理 |
| S-碳鋼壓鉚好色先生污污污 | 10B21-中碳硼鋼 | HRC32-38 | 調質淬火 | 默認為藍白鋅 |
| CLS-不鏽鋼壓鉚好色先生污污污 | SUS304-不鏽鋼 | HV300-360 | 不處理 | 洗光本色 |
| SUS303-易車型不鏽鋼 | HV220-300 | 不處理 | 洗光本色 | |
| SP-不鏽鐵壓鉚好色先生污污污 | SUS410-不鏽鐵 | HRC43-50 | 真空淬火 | 鈍化封閉 |
| 類型 | 使用的材質 | 元素名稱及化學成份(%) | |||||||||
| 碳(C) | 錳(Mn) | 矽(Si) | 磷(P) | 硫(S) | 鎳(Ni) | 鉬(Mo) | 鉻(Cr) | 鉛(Pb) | 硼(B) | ||
| S | 10B21 | 0.18~0.23 | 0.70~1.00 | ≤0.10 | ≤0.030 | ≤0.035 | - | - | - | - | ≥0.0005 |
| CLS | SUS304 | ≤0.08 | ≤2.00 | ≤1.00 | ≤0.045 | ≤0.03 | 8.00-11.00 | - | 17.00-19.00 | - | - |
| SUS303 | ≤0.15 | ≤2.00 | ≤1.00 | ≤0.20 | ≤0.15 | 8.00-10.00 | ≤0.60 | 17.00-19.00 | - | - | |
| SP | SUS410 | ≤0.15 | ≤1.00 | ≤0.60 | ≤0.030 | ≤0.028 | ≤0.60 | ≤0.60 | 11.50-14.50 | - | - |
| 產品類型 | 螺紋編碼 | 鉚接厚度代碼 | 測試安裝板 | 安裝力 | 推出力 | 扭出力 |
| 材質 | (kN) | (N) | (N•m) | |||
| S 及 CLS | 0 | 5052-H34鋁材 | 6.7-8.9 | 280 | 0.9 | |
| M2 | 1 | 400 | 1.13 | |||
| M2.5 | 2 | 750 | 1.47 | |||
| M3 | 0 | 冷軋鋼 | 11.2-15.6 | 470 | 1.47 | |
| 1 | 550 | 1.7 | ||||
| 2 | 1010 | 2.03 | ||||
| S 及 CLS | M3.5 | 0 | 5052-H34鋁材 | 11.2-13.5 | 280 | 1.8 |
| 1 | 400 | 1.92 | ||||
| 2 | 840 | 2.5 | ||||
| 0 | 冷軋鋼 | 13.4-26.7 | 480 | 1.8 | ||
| 1 | 570 | 2.3 | ||||
| 2 | 1210 | 2.3 | ||||
| S 及 CLS | M4 | 0 | 5052-H34鋁材 | 11.2-13.4 | 300 | 2.37 |
| 1 | 470 | 2.6 | ||||
| 2 | 970 | 4 | ||||
| 0 | 冷軋鋼 | 18-27 | 490 | 2.95 | ||
| 1 | 645 | 4 | ||||
| 2 | 1250 | 5.1 | ||||
| S 及 CLS | M5 | 0 | 5052-H34鋁材 | 11.2-15.6 | 300 | 3 |
| 1 | 480 | 3.6 | ||||
| 2 | 845 | 5.7 | ||||
| 0 | 冷軋鋼 | 18-38 | 530 | 3.6 | ||
| 1 | 800 | 4.5 | ||||
| 2 | 1112 | 6.8 | ||||
| S 及 CLS | M6 | 0 | 5052-H34鋁材 | 18-32 | 750 | 7.9 |
| 1 | 970 | 10.2 | ||||
| 2 | 1580 | 14.1 | ||||
| 0 | 冷軋鋼 | 27-36 | 900 | 13 | ||
| 1 | 1380 | 17 | ||||
| 2 | 1760 | |||||
| S 及 CLS | M8 | 1 | 5052-H34鋁材 | 18-32 | 1570 | 13.6 |
| 2 | 18.1 | |||||
| 1 | 冷軋鋼 | 27-36 | 1870 | 18.7 | ||
| 2 | 20.3 | |||||
| S 及 CLS | M10 | 1 | 5052-H34鋁材 | 22-36 | 1760 | 32.7 |
| 2 | ||||||
| 1 | 冷軋鋼 | 32-50 | 2020 | 36.2 | ||
| 2 |

詳細的安裝方式請參考壓鉚好色先生污污污安裝方法
就如同本頁上麵的動畫視頻所示,將好色先生污污污置於工裝治具(下附工裝的設計方案圖)的孔內,壓鉚部分露出工裝平麵,薄板孔對應好色先生污污污的鉚接口,采用壓鉚機壓入
需要注意的是:
1,壓鉚好色先生污污污置於薄板下方,壓機從薄板方向壓入.不可將壓鉚好色先生污污污置於薄板的上方通過直接壓入好色先生污污污的方式安裝,否則薄板將翹起
——這句話是什麽意思呢?也就是說,不可以這種方式安裝,而應該以這種方式安裝,否則在壓鉚好色先生污污污與薄板接觸的地方薄板很有可能會翹起,尤其是應用於鋁板銅板等較軟的板。再來看一次壓鉚好色先生污污污的正確與錯誤安裝方式的對比示意圖。
2,如果不希望采用如下動麵視頻動畫中的凹型工裝,也可采用簡易的頂針方式來固定壓鉚好色先生污污污,但壓鉚好色先生污污污依然是置於薄板下方,見頂針方式固定壓鉚好色先生污污污的安裝意圖
3,不可使用衝床安裝壓鉚好色先生污污污,因為其行程是固定的,安裝力亦無法調試.如果一定要采用衝床,也請采用液壓衝床。

| 螺紋規格 | A±0.05 | H-0.03 | R1 Max | R2 +0.15 | K(min) | |
|
工 裝 尺 寸 , 單 位 M M |
M2 | 6.43 | 1.60 | 0.25 | 0.15 | 12.70 |
| M2.5 | 6.43 | 1.60 | 0.25 | 0.15 | 12.70 | |
| M3 | 6.43 | 1.60 | 0.25 | 0.15 | 12.70 | |
| M3.5 | 7.08 | 1.60 | 0.25 | 0.15 | 17.00 | |
| M4 | 8.08 | 2.10 | 0.25 | 0.15 | 16.00 | |
| M5 | 8.80 | 2.10 | 0.25 | 0.15 | 17.40 | |
| M6 | 11.10 | 4.18 | 0.25 | 0.15 | 22.00 | |
| M8 | 12.80 | 5.47 | 0.25 | 0.15 | 25.40 | |
| M10 | 17.1 | 7.58 | 0.25 | 0.15 | 34.7 | |
以上方案作為實際作業中的理論參考,具體操作中跟據實際情況作適當調整,材質建議為模具鋼。我公司不能提供該配件的供應,工裝的製作並不是一個複雜的工程,一般上模會隨壓鉚機的廠商有配套供應,而用戶隻需跟根據自己板材的形狀不同設計製作下模。
壓鉚好色先生污污污目前沒有對應的國標或國際標準,上麵的規格表中的"型號TYPE"這一欄的“S”“CLS”“SP”指的是它型號的代號,雖不能稱之為標準,但業內約定俗成的將這種標注方式及它對應的參數作為一種行業標準。即:
S:碳鋼壓鉚好色先生污污污
CLS:不鏽鋼壓鉚好色先生污污污
SP:不鏽鐵壓鉚好色先生污污污
用戶在谘詢時隻需這樣表達即可:如“S-M3-1 ZI(電鍍代號),或CLS M3-1等等。
以下是從一組M3到M6的碳鋼鍍鋅的壓鉚好色先生污污污對比圖:

除了以上所介紹的標準壓鉚好色先生污污污外,我公司可以根據客戶要求訂製各種非標準的壓鉚好色先生污污污,用戶可根據自己的需要自由選擇材質尺寸與螺紋規格——亦或是無螺紋就如同左圖。好色网站在线观看為眾多的用戶量身訂製過各種非標準的特殊的壓鉚好色先生污污污,具有豐富的設計與製造經驗。
一款非標示例:

如你所見,每一顆好色先生污污污的花齒都打的鏗鏘有力,好色网站在线观看對齒模在模具中的位置作了重新設計以利於快速更換,從而保證了壓花的飽滿度、一致性及生產效率,這是好色网站在线观看的優勢所在。如你所知,在生產過程中齒模的損耗總是最快的,更換一組齒模,齒模本身沒多少錢,而時間成本卻不容小覷,所以有些工廠被動地降低了花齒的容忍度,故而市場上很多廠家的壓鉚好色先生污污污花齒總是有爛花現象,而好色网站在线观看卻不會。
由於長期生產壓鉚螺帽,好色网站在线观看的生產經驗更加豐富對質量要求更加嚴格。每批產品均經過嚴格的來料與生產檢驗,外協熱處理及電鍍每批產品均需測試與備樣.以CLS-M8為例,好色网站在线观看規定每個壓花輪生產2000支產品即更換以保證花齒清晰飽滿,為防止攻牙產生的斜牙與無牙,好色网站在线观看在入庫前全檢螺紋